Мы используем файлы cookies в целях совершенствования нашего веб-сайта, а
также повышения удобства его использования. Отключить cookies вы можете в настройках браузера.
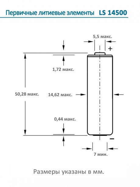
Батарейка Saft LS 14500 (AA) пальчикового типа применяется в различных устройствах с малым энергопотреблением, преимущественно в счетчиках, датчиках, расходомерах и пр. Это батарейка, а не аккумулятор. Не заряжать - взорвется!
Данную модель отличает высокая емкость, которая составляет 2600 мАч. Благодаря такому значению батарея сможет проработать без подзарядки длительное время. Ее напряжение составляет 3,6 В. Не использование батареи в течение года приведет к потере заряда лишь 1% от общего объема.
Также, доступны ряд аналогов других производителей.
Абсолютно все литий-тионилхлоридные элементы питания с маркировкой ER должны быть депассивированы (активированы) перед использованием.
Тонкая пленка, образующаяся сразу после сборки элемента на заводе, снижает его выходное напряжение под нагрузкой до 2-2,5В или даже ниже вместо номинальных 3,6V. Это приводит к тому, что прибор после установки батарейки не запускается вообще или работает несколько месяцев и выключается. С другой стороны, эта пленка, возникшая в процессе пассивации, снижает ток саморазряда и позволяет хранить элементы питания до 10 лет в рабочем состоянии.
Убедиться, что элементу требуется депассивация, очень легко. Устанавливаете элемент питания в прибор, включаете и под нагрузкой измеряете напряжение. Если оно ниже 3,2В, то долго батарейка не проработает.
Большинство литий-тионилхлоридных элементов рассчитаны на длительную работу в различных датчиках на микротоках и нагружая их в процессе депассивации большими нагрузками, мы разрушаем эту тонкую пленку и восстанавливаем напряжение до номинального.
Не забывайте в процессе депассивации контролировать напряжение! Излишне долгое нахождение батарейки под нагрузкой снижает ее емкость безо всякой пользы. Подробно выполнение депассивации описано здесь.
В нашем интернет-магазине продаются только оригинальные элементы питания Saft. В настоящее время Saft производится во Франции, Великобритании и Китае.
Данный элемент питания может иметь маркировку: ER 14505(AA), TL-5903,
TL-2100, TL-4903, TL-5104, SL-360/S, SL-760/S, XL-060F, ER6S-TC, ER6,
ER6C, ER6LV.
В нашем интернет-магазине Вы можете купить батарейку Saft LS 14500 (AA) с доставкой в Санкт-Петербург.
Ваша оценка может быть важна для других. Оставьте отзыв.
Saft LS 14500 (AA) : вопросы и ответы
Хочу заказать 7 батареекLS 14500 3.6v. Как это сделать ?
Очень просто) Кладете нужное кол-во батареек в корзину и переходите к оформлению заказа. Вводите номер телефона, выбираете способ и адрес доставки, способ оплаты, подтверждаете заказ. Далее Вам приходит номер Вашего заказа в виде смс на указанный номер телефона, также ссылка на страницу заказа на указанный e-mail. На странице заказа Вам будет виден статус заказа и место его нахождения)
Здравствуйте. Интересует дата производства этих АКБ
Добрый день, Михаил! На нашем складе всегда "свежие" батарейки и аккумуляторы. Если Вам необходима точная дата выпуска, то Вы можете связаться с нами по бесплатному номеру телефона 8 (800) 775–8003.
8524184869
Задать вопрос
Не нашли интересующую информацию по данному товару? Задайте ваш вопрос или оставьте комментарий.
Вы не заполнили обязательные поля
Вы должны дать согласие на обработку данных
Цены, указанные на
данном сайте, действуют только при условии оформления покупки через
интернет-магазин.
Информация о технических характеристиках, комплекте поставки и внешнем виде товара
носит справочный характер и может быть изменена производителем без предварительного
уведомления.
Отличный магазин, оформил заказ за 5 минут. Через 4 дня доставили сдэком в Самару, вес четко и быстро.
источник:
Сергей 09. 10. 2025.
5Отличный магазин
Прекрасный магазин
источник:
Максим 07. 10. 2025.
5Отличный магазин
Замечательный магазин с большим выбором товара. Работают быстро,чётко, поддержка моментально выходит на связь. Рекомендую!!!Не пожалеете!!!
источник:
виктор06. 10. 2025.
5Отличный магазин
доставлено в срок все качественное скоро закажу еще кое что
источник:
Дмитрий23. 09. 2025.
5Отличный магазин
Товар - Радиоприёмник XHDATA D-368 доставлен во время, упакован надёжно, всё работает.
источник:
Виталий 23. 09. 2025.
5Отличный магазин
Заказывал цифровой приёмник Tecsun S-2200x. Все быстро смог оформить, задал вопрос в поддержку - отзвонились в тот же день и ответили на вопрос. Доставка четко в срок, есть возможность отслеживать заказ. Ставлю магазину твердую пятерку!!! Заказ пришел СДЭКом, все в целости. Упаковка не битая, видно сразу, что товар не б/у. Осталось освоить заказ)))).
Заполните форму ниже и наши специалисты свяжутся с вами в
ближайшее время в часы работы службы поддержки с 9:30 до 18:00 по МСК.
Сообщить об ошибке
Если вы нашли ошибку в описании или характеристиках данного товара, будем вам признательны за информацию об
этом.
Если Вам необходимо получить ответ на данное сообщение, то укажите Ваш контактный e-mail.
Заказать обратный звонок
Заполните форму ниже и наши специалисты перезвонят Вам в указанное
время или в ближайшее возможное в период режима работы службы поддержки с 9:30 до 18 по МСК.
Войти в профиль
По телефону
E-mail и пароль
+7
Укажите номер мобильного телефона, чтобы мы
смогли вас идентифицировать для входа в личный кабинет.
В интернет-магазине ВОЛЬТА за покупку товаров начисляются бонусы. Сумма начисляемых бонусов зависит от конкретного товара и выводится под его ценой. Начисление бонусов доступно только для авторизованных на сайте покупателей.
Бонусами можно оплатить до 20% от стоимости покупки. 1 бонус = 1 рубль